• Silindirlerde 500 bar test basıncı
• Optimum Çevrim Süresi
• Yüksek Manganlı Değiştirilebilir Dişler
• Dört Köşesi Kullanılabilir Kesiciler
• Gerilim Giderilmiş Ana Gövdeler
• Darbeye Karşı Korumalı Hidromotorlar
• Döner Rulmanlarda İki Aşamalı Yuvarlanma Elemanları
• Çift Pinyon
• Sonsuz Dönüş
• Karbonsuz Üretim
• 7/24 Servis
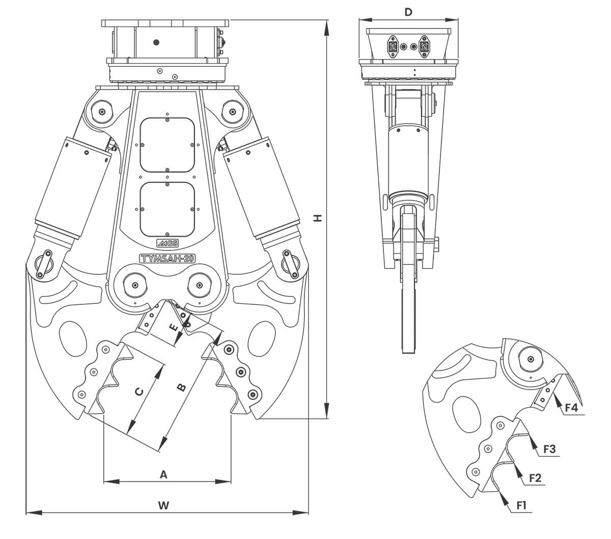
| TYMSAH - 20A | |
| Bilgi | |
| Makine sınıfı | 20 - 40 ton |
| Ağırlık | 2.160 kg |
| F1 konumundaki kuvvet | 105 ton |
| F2 konumundaki kuvvet | 135 ton |
| F3 konumundaki kuvvet | 190 ton |
| F4 konumundaki kuvvet | 560 ton |
| Hidrolik | |
| Maks. çalışma basıncı silindir | 350 bar |
| Silindir yağ hacmi | 150-200 L/dk |
| Maks. çalışma basıncı motor | 170 bar |
| Motor yağ hacmi | 40 L/dk |
| Boyutlar | |
| A | 710 mm |
| W | 1.577 mm |
| B | 764 mm |
| E | 210 mm |
| H | 2.230 mm |
| D | 680 mm |
| C | 445 mm |